Приветствую Вас Гость | RSS
Меню сайтаКатегории раздела
СтатистикаОнлайн всего: 1 Гостей: 1 Пользователей: 0 |
Главная » Фотоальбом » Мои фотографии » Зарядные устройства для шуруповерта схема - обновленные к...
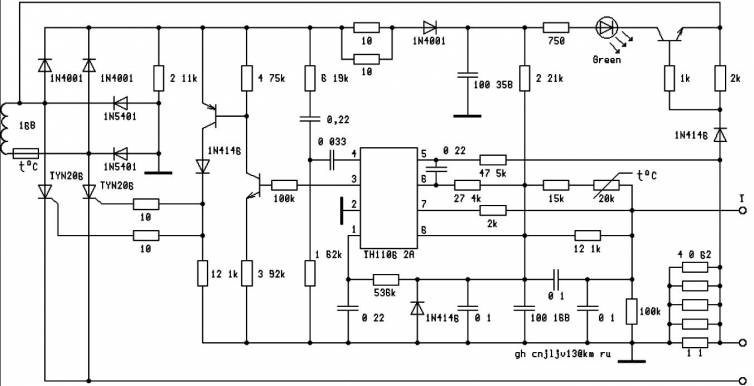
Зарядные устройства для шуруповерта схема - обновленные к...
Зарядные устройства для шуруповерта схема - обновленные карты, Загрузить на высокой скорости
1352x693 rama-578.ru.com |
Вход на сайтПоискДрузья сайта |