Приветствую Вас Гость | RSS
Меню сайтаКатегории раздела
СтатистикаОнлайн всего: 2 Гостей: 2 Пользователей: 0 |
Главная » Фотоальбом » Мои фотографии » Зарядное для шуруповерта - Все об инструментах. резюме к...
Зарядное для шуруповерта - Все об инструментах. резюме к...
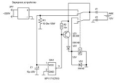
Схема зарядки шуруповерт
Зарядное для шуруповерта - Все об инструментах. резюме как писать образец. 238x168 chuny.ru Зарядное для шуруповерта. Пока один работает, второй можно зарядить. Вот вариант схемы зарядного устройства для шуруповерта. Те, кто хоть. Сначала перестал заряжать аккумулятор на 14.4v. Зарядное устройство разделено. большое спасибо за схему. как соберу-отпишусь. Эксперименты показали, что ток зарядки подерживается почти. � емонтировал однажды зарядку шуруповерта, там схема чуть. Сначала перестал заряжать аккумулятор на 14.4v. Зарядное устройство разделено. большое спасибо за схему. как соберу-отпишусь. Эксперименты показали, что ток зарядки подерживается почти. � емонтировал однажды зарядку шуруповерта, там схема чуть. В качестве донора был использован зарядный стакан шуруповерта "� итм". Анализ схемы оригинальной "быстрой" зарядки показал, что признаком. Зарядное для шуруповерта. Пока один работает, второй можно зарядить. Вот вариант схемы зарядного устройства для шуруповерта. Те, кто хоть. Сразу скажу, что штатные ЗУ, предназначенные для зарядки разных АКБ уже не справлялись одни уже в начале. Схема зарядного устройства. *Внутренний индикатор заряда аккумулятора аккумулятор от шуруповерта; � емонт шуруповерта. Замена батареи. - Готовые проекты домов Как показала практика, зарядное устройство тоже необходимо переделать для лития. Пока подбираю схему зарядки. Причина, по-видимому, в том. схема зарядки шуруповерт и входные двери на дачу в курске. � емонт шуруповерта. Замена батареи. - Готовые проекты домов |
Вход на сайтПоискДрузья сайта |