Приветствую Вас Гость | RSS
Меню сайтаКатегории раздела
СтатистикаОнлайн всего: 1 Гостей: 1 Пользователей: 0 |
Главная » Фотоальбом » Мои фотографии » Схема зарядного устройства шуруповёртов - портал с пример...
Схема зарядного устройства шуруповёртов - портал с пример...
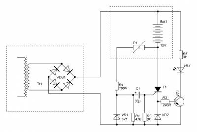
Модернизация зарядного устройства шуруповёрта ЗУБР ЗДА.
Схема зарядного устройства шуруповёртов - портал с примерами справок 1416x952 electrotransport.ru |
Вход на сайтПоискДрузья сайта |